© Alexander Engel KG
Sie haben Ihr Passwort vergessen?Sollten Sie trotz korrekter E-Mail-Adresse und bereits bestehender Registrierung weiterhin Probleme mit dem Login haben und auch keine "Passwort vergessen"-E-Mail erhalten, so wenden Sie sich bitte per E-Mail an: info@engel-modellbau.eu

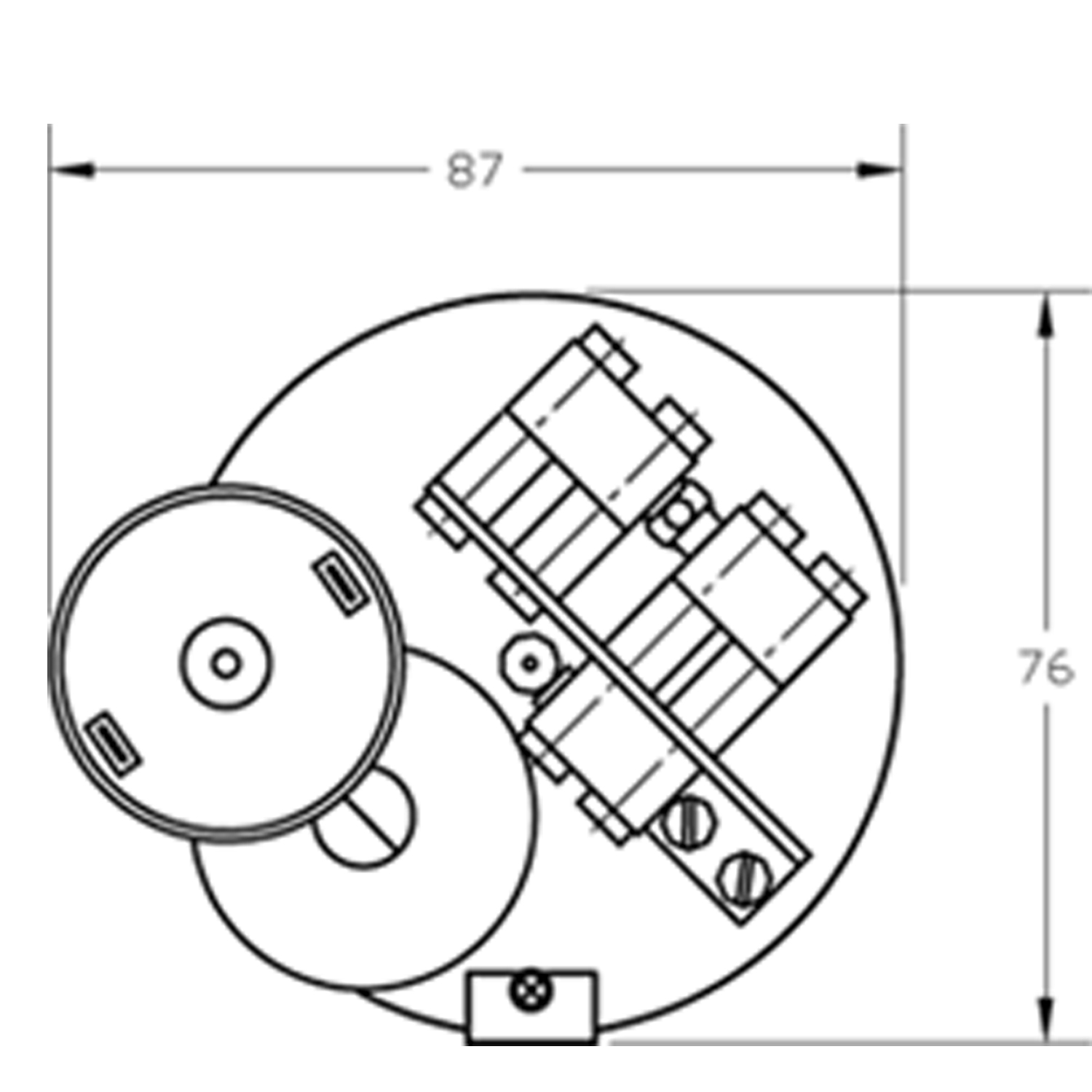
Kolbentank Typ HA 750-6V mit automatischer Endlagenabschaltung und fertig montiertem Hallsensor und Magneten.
Dieser Kolbentank lässt sich mit Schalteinheit UNIpro, CTS2 und TAE3 proportional ansteuern, so dass das Modell feinfühlig getrimmt werden kann.